产品中心
当前位置:首页 > 产品中心 > 产品详情

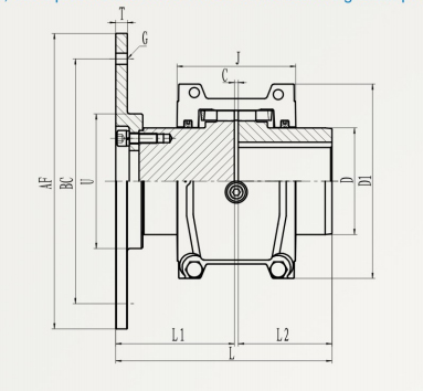
福克T90蛇形弹簧联轴器

发布于:2017-12-08   隶属于:蛇簧联轴器

蛇簧联轴器的结构紧凑、外形尺寸小,工作可靠,适用于连接两同轴线的中、大功率的传动轴系。具有一定补偿两轴相对偏移的减震、缓冲性能。工作温度为-30℃-+150℃,传递公称转矩52-931000N.m.一般两轴相对的许用位移量:轴向为4-20mm;径向为0.5-3mm;角位移为1°15′。蛇簧联轴器广泛应用于各工业领域。

 

福克T90联轴器的参数及主要尺寸

 

 

上一个产品:万向联轴器如何正

下一个产品:福克T70蛇形弹

同类产品

苏公网安备 32110102321207号