产品中心
当前位置:首页 > 产品中心 > 产品详情

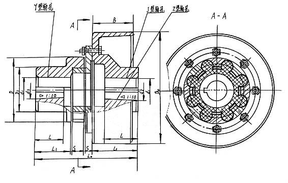
MLL-II(LMZ-II)整体制动轮梅花联轴器

发布于:2016-11-28   隶属于:梅花联轴器
 MLL-II(LMZ-II)梅花联轴器 特点及应用场合具有补偿两轴相对偏移、减振、缓冲性能、径向尺寸小,结构简单、不用润滑、承载能力较高,维护方使、更换弹性元件需轴向移动 (MLS型除外),适用于联接同轴线,起动频繁,正反转变化,中速、中等转矩传动轴系和要求工作可靠性高的工作部位。不适用于重载、低速及轴向尺寸受艰制,更换弹性元件后两轴对中困难的部位。
    ML型--基本型;
    MLL-II型--分体式制动轮型;
    MLL-I型--整体式制动轮型;
    MLZ型--单法兰盘;
    MLS型--双法兰盘;

上一个产品:MLL-I(LM

下一个产品:MLS(LMS)

同类产品

苏公网安备 32110102321207号