ZLZ(LZJ)中间轴柱销齿式联轴器
发布于:2016-11-28
隶属于:弹性联轴器
ZLZ(LZJ)齿式联轴器 特点及应用场合:可补偿两轴相对偏移,减振功能差,传动精度低,传递转矩大,与齿式联轴器相比,结构简单,质量轻,制造方便,维护简便.不用润滑,部分代替齿式联轴器,噪声大,适用于大、中转矩轴系传动,不适用于对减振效果要求高和对噪声需严加控制的部位。
ZL型—基本型;
ZID型—圆锥孔型(与电机联接);
ZLZ型—接中间轴型;
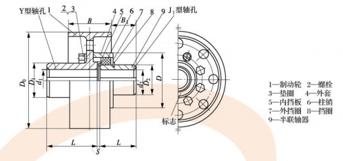
ZLL型—带制动轮型;
ZLZ(LZJ)型接中间轴弹性柱销齿式联轴器基本参数和主要尺寸:(GB/T 5025-85)mm
