|
ZLL(LZZ)弹性柱销联轴器特点及应用场合:本联轴器已列为国家标准GB4323-84适用于联接两同轴线的传动轴系:具有一定补偿两轴相对偏移和一般减震性能、工作温度为-20~+70℃,传递公称扭矩为6.31~16000N.m。
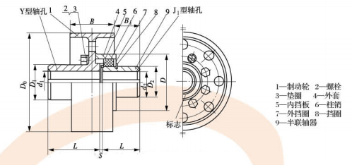
弹性套柱销联轴器,具有减震、耐磨等性能,结构合理,维修方便,零件数量少,适用性强等特点。可用于正反转变化多、变载荷、起动频繁的高速转动。多年来,已被各种机械联接所采用。轴孔型式有圆柱形(Y)、圆锥形(Z)和短圆柱形(J)。轴孔和键槽按国家标准GB3852-83《联轴器轴孔和键槽形式及尺寸》的规定加工。
半联轴器采用铸钢ZG35Ⅱ。弹性套采用合成橡胶、聚胺脂橡胶制成。
本标准联轴器,已批量生产。保证质量,价格合理,供用户广泛采用。并可根据用户需要接受非标准订货。
ZLL型带制动轮弹性柱柱销齿式联轴器基本参数与主要尺寸 mm
|
型号 |
公称转距 Tn /N.m |
许用转速[n] r/min |
轴孔直径 |
轴孔长度 |
D0 |
D |
B |
转动惯量 kg.㎡ |
质量 kg |
|
Y,J1 |
|
d1,d2 |
L、L1 |
|
ZLL1 |
250 |
4000 |
16-38 |
42-82 |
160 |
98 |
68 |
0.022 |
7 |
|
ZLL2 |
630 |
3800 |
25-48 |
62-112 |
200 |
124 |
85 |
0.063 |
12.6 |
|
ZLL3 |
1600 |
3000 |
40-70 |
84-142 |
250 |
166 |
105 |
0.24 |
30.4 |
|
ZLL4 |
4000 |
2400 |
50-75 |
84-142 |
315 |
214 |
132 |
0.65 |
52.4 |
|
ZLL5 |
6300 |
1900 |
60-95 |
107-172 |
400 |
240 |
168 |
1.63 |
81.3 |
|
ZLL6 |
10000 |
1500 |
70-120 |
107-212 |
500 |
280 |
210 |
4.4 |
139.8 |
|
ZLL7 |
16000 |
1200 |
80-130 |
132-252 |
630 |
330 |
265 |
12.8 |
257 |
|
ZLL8 |
25000 |
1050 |
90-150 |
132-252 |
710 |
370 |
298 |
20.9 |
331 |
|
ZLL9 |
31500 |
950 |
100-170 |
167-302 |
800 |
384 |
335 |
33.5 |
424 | |